減速電機GMD系列
1. GMD150-D-12/GMD120-D-12(小面積開窗專用)
產品說明
- 專為小面積開窗研發設計,替代大功率減速機;
- 高控制精度,高重復精度;
- 傻瓜型限位,行程設定簡單;
- 自帶防結露排水孔,防護等級達到IP55(防塵防水);
- 輸出軸端加強處理,質保三年。


150N.m開窗面積(僅供參考):
120N.m開窗面積(僅供參考):

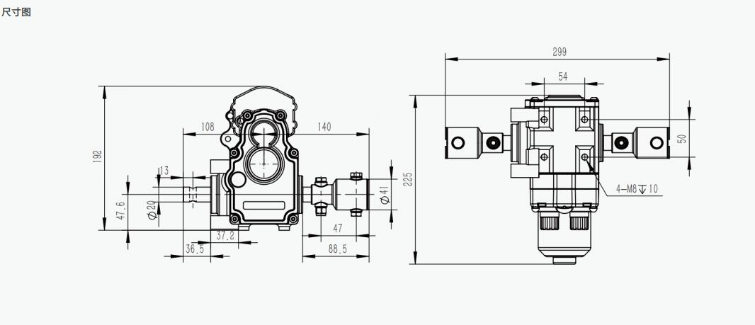
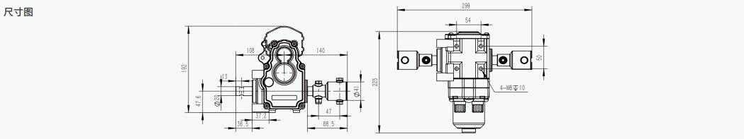
2. GMD150-D/GMD120-D
產品說明
- 雙輸出軸,兩端卷膜;
- 有效防止因卷膜管太長引起電卷下垂;
- 扭矩大,卷膜能力強,更節省;
- 提供5米外接電源線,方便連接控制箱,安全可靠;
- 自帶防結露排水孔,防護等級達到IP55(防塵防水);
- 質保三年。



